Ø DESCRIPTION
Suspension clamp,Use for ADSS cable,choose the type according to the diameter of ADSS cable.
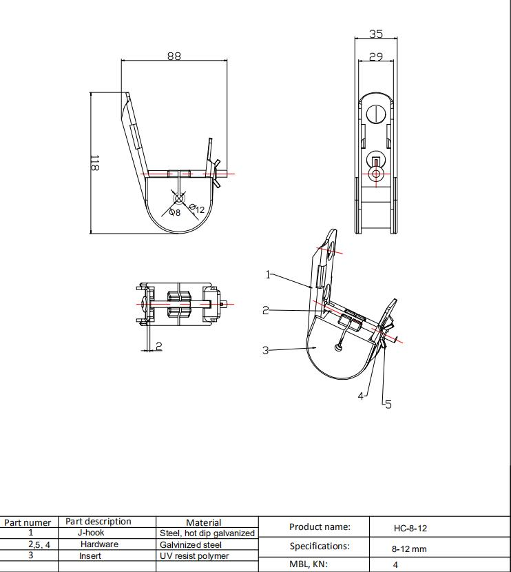
Hook clamps are designed to provide a suspension for Ø8 to 20mm aerial ADSS cables at intermediate poles on cable routes with angle < 20° on access networks (spans up to 100m).
The suspension clamp for ADSS cable consists of a galvanized steel J Hook, A neoprene sleeve and tightening screw.
The clamp may be installed on poles using either a pigtail bolt or 2 pole bands.
Key words: Suspension clamp,Use for ADSS cable
Ø ORDERING INFORMATION
MODEL  | Cable Diameter  | Material  | MBL  | Weight  | 
HC  | 5-8mm  | Plastic and stainless steel  | 4kN  | 194g  | 
HC  | 8-12mm  | Plastic and stainless steel  | 4kN  | 160g  | 
HC  | 10-15mm  | Plastic and stainless steel  | 4kN  | /  | 
HC  | 15-20mm  | Plastic and stainless steel  | 4kN  | /  | 
Ø INSTALLATION

